90后的共同记忆里,一定有一根粉红的火腿肠。
扒开收纳箱上层的饼干零食,在最底层挖出珍藏了一个月的华丰泡面。幸好,今天老妈不在,不然她又会眉毛一皱说:“又在吃没营养的东西”。
电炉烧出噗通噗通乱叫的滚水,澄黄的面饼先入了锅,压抑的油香顺着水泡咕嘟嘟地溢出。快手快脚地抽出冰箱里的泡面伴侣,用嘴咬住一端的金属环,让香肠在手里旋转几圈,金属环应声而下,用牙齿把红色胶条顺势一拉,粉嫩的肉肠崭露。将它对半掰开,丢入沸腾的泡面汤里,肥手指一样的香肠,是黑铁锅里最丰腴的肉色。
图|《请回答1988》
小时候的火腿肠,对泡面是必选加分项,不是99加到100的加分,是59加到60的加分,只有一分,但完满了遗憾。
长大后,我对淀粉肠的感情其实是矛盾的:
一方面是家里大人在耳边念叨着“火腿肠不健康”;
另一方面,身边的朋友又固守自己对淀粉肠口感的迷恋,声称:“但凡多一点肉我都不爱吃!”
火腿肠,现在还安好吗?
图|《请回答1988》
01
火腿肠,曾经还是很香的
1985年,国家开放猪肉的生产经营权。原本买肉只能到肉联厂,现在政策一变,肉联厂就得想办法搞业务。
1986年,洛阳肉联厂代表高凤来花费100万收购了一套日本火腿肠生产样机。
第二年,国内第一根火腿肠——“春都牌火腿肠”便诞生了。
图|王颂
万事开头难,没啥知名度的火腿肠,卖出去的只能勉强维持收支平衡。
直到1991年,高代表拿出了全厂一半的年利润,把春都送上了央视广告。三个月后,全国各地牌照的大货车把洛阳肉联厂门口堵得严严实实,只为了一箱春都火腿肠。
全厂喜提24小时加班,大厂机器开足马力,以每月八千吨的效率供货,依然供不应求。
急得一个东北经销商拎着菜刀站在厂门口,声称要抹脖子:“来了一个月,一条火腿肠皮也没见到,眼看没法回去交代,情急之下,出此下策。”
看到火腿肠的风口,1990年,郑州肉联厂推出“郑荣”火腿肠;
两年后,漯河肉联厂里诞生了未来的火腿肠霸主——“双汇火腿肠”,还请来了当红《编辑部的故事》演员葛优和冯巩打广告;
不久后,山东的“金锣”以低价在低端市场异军突起;
90年代末,南京“雨润”出世,打破了南方无火腿肠的格局。
在80年代末90年代初,向往洋派生活的人们吃不起西式香肠,加入了淀粉,物美价廉的火腿肠,便瞬间以猪肉平替的身份席卷中国。
火腿肠和泡面成了绿皮火车上的硬通货。对普通家庭来说,拿火腿肠来炒个青瓜,就能给孩子改善伙食。
图2|尖尖实验室
1997年,竞争进入白热化的火腿肠行业,迎来了一场“价格战”。
价格战先从产品规格入手,一根火腿肠从100g减到了80g,又减到了70g,火腿肠变短了,也变便宜了。
双汇的100g火腿肠的猪肉含量由85%降到70%,价格从1.1元降到0.9元。然后双降到60%、50%,直到把价格打到5毛钱,这时的猪肉含量只有15%。
春都一咬牙,也跟着降价,肉含量从85%一路降低到15%,价格战打到最后,春都牌火腿肠变成彻头彻尾的淀粉肠。
连春都的生产员都吐槽:我们生产的不是火腿肠,而是“面棍”。
但双汇却藏了一张底牌,降价的只是一小撮淀粉肠,消费者在货架上见到的大部分都是原来的肉肠。
一场恶战后,春都、郑荣等老牌江河日下,双汇则成了火腿肠的代名词。
图|图虫创意
02
为什么火腿肠渐渐不香了
“足足过了一年,火腿肠厂的猪终于受了一点皮外伤。”
火腿肠一降再降的肉含量,添加量超过15%的淀粉含量,让原本的猪肉平替失去了肉感和鲜美。
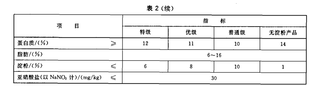
最终,2007年国家发布火腿肠国标:不论哪个级别的火腿肠,不管是五毛一根还是五块一根,它们的淀粉含量最高均不能超过10%。
▲ GB/T20712-2006 火腿肠
即使我们现在吃到的淀粉含量最多的普通级火腿肠,也要比整个九十年代里绝大多数的火腿肠的肉含量要更高。
但为什么明明肉含量不少,但吃起来却是满满的淀粉感?
图|网络
其实,撑起一条火腿肠的不是肉和淀粉,而是肉和水。
为了促进脂肪和水的融合,火腿肠中会添加大豆蛋白,来达到弹牙的肉感。
通常被认为用来降低成本的淀粉,其实也是为增加火腿肠的硬度和弹性,让它在加热后发生淀粉糊化,吸收比自己体积大十几倍的水分,让火腿肠吃起来更嫩。
但这些保留肉感的努力,显然抵不过最后的蒸煮环节。在121摄氏度高温的杀菌下,肉蛋白质会变性,肉的纤维弹性变差——简单来讲就是“吃不出肉味了”。
火腿肠吃起来没有肉感,不是因为淀粉多,而是因为制作工艺。
图 |图虫创意
不过国标并没有规定,火腿肠里的肉必须全部是猪肉。
除了猪肉,鸡肉,火腿肠里还会添加诸如猪皮、鸡皮、鸭皮、鸡架泥、鸡脖泥等边角肉。
跟肉丸等肉糜制品一样,火腿肠这种被搅打得看不出原貌的食物,确实给人一种“一看就很好加料的样子”。
图 |图虫创意
“淀粉肠全是淀粉”显然是谣言。但火腿肠大厂不争气,却是事实。
据《中国食品》在2001年的不完全统计调查,许多消费者反映,火腿肠产品中发现有异物、有异味、出油、胀袋等现象,引人反感。
2011年,河南瘦肉精案件爆发,双汇被爆出使用有毒猪肉。
同年,18岁的游泳运动员宁泽涛兴奋剂检测结果呈阳性,被禁赛一年,原因就是误食了含有瘦肉精的火腿肠。
去年,315黑榜曝光,双汇再次因生产车间乱象被点名。
真正让人失望的,或许不是火腿肠里的淀粉,和它肉泥般的模样,而是现代食品工业频发的食品生产安全问题。
图|图虫创意
03
泡面配火腿肠
还在治愈中国年轻人
有人说打败火腿肠的是历史。21世纪,花花世界里的肯德基和麦当劳,哪一样快餐不比火腿肠香?
外卖的到来,让火腿肠从餐食变成零食,渐渐成为时代的尾音。
不过让人意外的是,一份2020年的美团外卖数据显示,外卖热销的速食品中,58% 是方便面,27% 是火腿肠。
在中国各省份在美团下单的速食销量前三的榜单中,接近六成的省份都是泡面加肠的组合。
双汇的香辣香脆肠和统一老坛酸菜牛肉面,曾在无数个夜里治愈着江苏人;
而川渝人民,则固守着自己对美好牌甜玉米火腿肠的热爱。
图1|泽荣博弈 © 图2|爱吃零食的小丁丁
火腿肠,似乎还没有如我们想的那样,被网红速食完全挤出时代。
对于见证着火腿肠肉含量下降的中年人来说,淀粉肠是火腿肠的一种味觉倒退。
但对于从小就吃淀粉肠的90后来说,火腿肠好像天生就是这个味道。
小时候为了一根火腿肠牵肠挂肚的90后,长大后还心甘情愿为了吃一根淀粉肠而追走鬼摊。
图1、2|CCCCCCC大调
在火腿肠里加入更多的淀粉,经过高温油炸或烤制后,它既不会变成硬块,也不会像肉肠那样变得油腻,竟也满足了当代年轻人对零食的口感想象。
身边甚至有朋友为了实现火腿肠自由,转行卖起了火腿肠。一边在小红书记录自己“脱掉长衫后的自由”,一边慷慨写下自己从回本到“月入X元”的《淀粉肠摆摊攻略》。
图|三七木君
时代在这里,似乎又绕了一个圈。
当寂静深夜肚子鸣叫,我们煮开一份泡面和火腿肠,我们会暂时忘掉大人的念叨。因为我们知道,不健康的大概不是火腿肠,而是填不平欲望的、吃进肚子里的各种高盐食物总和;
图|上海去哪吃
当我们在街边,从流动摊老板手里接过滋滋冒油的烤肠,执着怀念的不是那满满的淀粉感,而是那个回不去的无忧无虑的自己。
图2|wang✨✌️
本文系作者授权首席营销官发表,转载请联系该作者
作者微信公众号:极物 (ID:ijiwulife)
0人觉得好看
推荐文章
说点什么

热门文章
更多